Mercury Outboard Parts Canada
With the best prices and widest selection Crowley Marine is the leader in boat motors parts and accessories. Over 50 Years Serving Boaters.

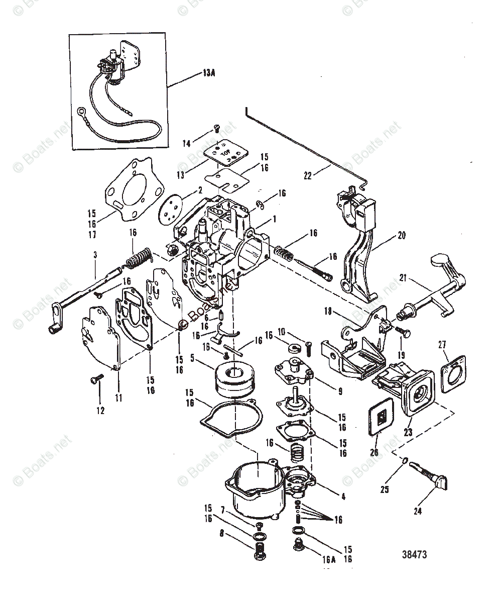
Carburetor Assembly Complete 1975 Mercury Outboard 9 8 1110205 Crowley Marine
Search by serial number to see detailed engine diagrams and part numbers then contact your local authorized Mercury Marine dealer to place your order.

Mercury outboard parts canada. C 3187 shipping estimate. From Everything To The Very Thing. Shop for Replacement Mercury Outboard Parts.
Include dashes and spaces if your part number has them. Find the right parts for your Mercury or MerCruiser engine here. Over 50 Years Serving Boaters.
Fast Flat 495 Shipping. Here you will find diagrams for Mercruiser parts and Mercury outboard parts. Topmarine is a fast growing online business for the sale of boat parts in Canada.
See the difference that we provide to every customer. - MERCURY OUTBOARD PARTS MARK 255575 GAS LINE FITTING PART 22831T3. Fast Flat 495 Shipping.
Backed by decades of innovation and leadership Mercury outboards are built to go the distance delivering legendary performance driven by forward-thinking technology. Mercury Outboard Electrical Parts PDF ENG 215 MBpdf Download. Looking For Great Deals On Top Products.
Serving both the United States and Canada Boatpartsca offers a full range of Mercury Marine outboard parts including Mariner models. Ad Your Complete On-Line Source For Suzuki Parts And Accessories. Largest Inventory - Fast Shipping - Call Us Today.
Ad Huge Mercury Catalog With Detailed Diagrams Product Images. With more than 4000 products the online store is equipped with a wide range of parts and accessories for boats. In certain cases OEM Mercury Marine Parts are the better option but in many cases there are good economical alternative part options such as with Sierra Marine Parts.
Sierra 18-72656 Drain Plug and Gasket. All parts are listed with compatible models and OEM numbers. Our Mercury Marine Parts technical expertise also allows PPT to provide our boating customers with direction regarding Direct Replacement Mercury Outboard Parts options.
Mercury Outboard Fuel System Parts PDF ENG 143 MBpdf Download Mercury outboard motors are leading in the industry and win almost all the speed tests winning the hearts of water motors. If youre not familiar with outboard parts take a look at our Mercury Outboard Visual Parts Guide. Mercury Marine Technical Library.
Mercury Mariner plant is a leading manufacturer of Mercury outboard parts so that boaters can rely on dependable performance from their Mercury outboards. Boat Motor Water Pump Impeller for Mercury Outboard Motor 30HP 35HP 40HP 45HP 50HP 60HP 65HP 70HP Compatible Part Number 47-89983T 47-89983 47-20268 47-65959 18-3007. Your Mercury serial number is the key to finding the correct parts for your motor.
Sierra 18-8803-2 Spark Plug Wire Set. Being a leader is the philosophy. Verado Pro XS FourStroke SeaPro and Jet.
We carry Mercury outboard motor parts for vintage and current model outboards. If your Mercury outboard is in need of repair turn to Wholesale Marine. QC J6J 2T6 CANADA 514 963-6959.
Sierra EMP 22-05154 Drain Plug. Sierra 18-7208 Float for MercuryMariner Outboard Motors. Lower Mercury and MERCURY OUTBOARD LOWER UNIT 30 L COUNTER ROTATION.
On our online site you can. Largest Inventory - Fast Shipping - Call Us Today. Ad Huge Mercury Catalog With Detailed Diagrams Product Images.
MERCURY OUTBOARD PARTS MERC 4 75 98 NOS SHORT DRIVESHAFT 45-95873A1. Looking For Great Deals On Top Products. Choosing the Correct Parts.
Ad Get Top Products With Fast And Free Shipping For Many Items On eBay. Ad Your Complete On-Line Source For Suzuki Parts And Accessories. Mercury Mercruiser Parts.
C 6003 shipping estimate. Ad Get Top Products With Fast And Free Shipping For Many Items On eBay. Enter your Mercury outboard part number in the Search by Part Number field at the top of the page for an online inventory of matching Mercury outboard parts.
Nobody makes a more reliable powerful and efficient lineup of outboard motors than Mercury. We carry a full line of gear sets water pumps pistons and seal kits. Buy Discounted Mercury outboard parts and Mariner outboard motor Parts.
We carry a wide inventory of Mercury outboard parts from replacement. You can also browse by model but we strongly recommend using your serial number to ensure you find. From Everything To The Very Thing.
Online Parts lookup Large inventories of Mercury Mariner outboard OEM and Aftermarket parts Same Day Free Shipping Discounted rates. Our large selection of Outboard lower units of different brands will certainly Home. Wingogo Water Pump Impeller for 35364457598 HP Mercury Mariner Outboard 47-68988 47-89980 Boat Motor Engine Parts Replacement.
Sierra 018-2945 Drain Screw Gasket 2 Pack. We are the leader in Aftermarket for parts like Volvo Penta Mercruiser Mercury Yamaha and Johnson Evinrude. Mercury serial numbers are usually found on an ID tag on the engine mounting bracket.
B S W p o 8 n W s Q o r e d X E W Y Z.

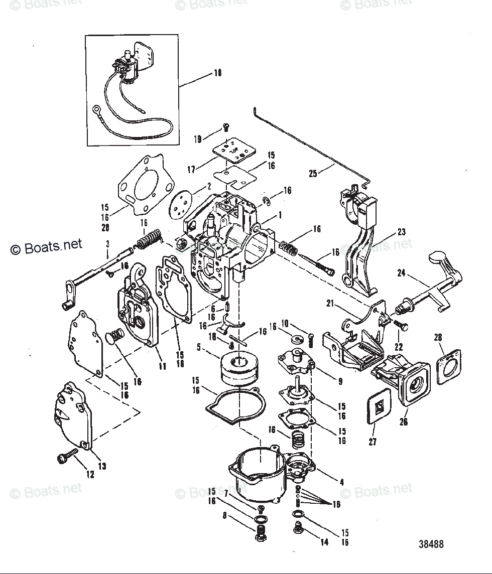
Mercury Mercury Mariner Outboard Parts By Hp Liter 25hp Oem Parts Diagram For Carburetor Wmc 9 10 11 12 24 25 26 27 Boats Net

Mercury Marine Outboard Motor 9 9 Horsepower Hp Parts List Diagram Catalog Ebay

Mercury Mercury Mariner Outboard Parts By Hp Liter 25hp Oem Parts Diagram For Carburetor Wmc 13 13a 14 14a 15 15a 16 16a Boats Net

Posting Komentar untuk "Mercury Outboard Parts Canada"